Aspen Electronics показала новые чипы усилителей, переключателей и смесителей

Британский дистрибьютор монолитных СВЧ ИС на основе арсенида галлия, Aspen Electronics, представил на выставке European Microwave Week в Лондоне компоненты производства Custom MMIC: СВЧ усилители, переключатели и смесители.

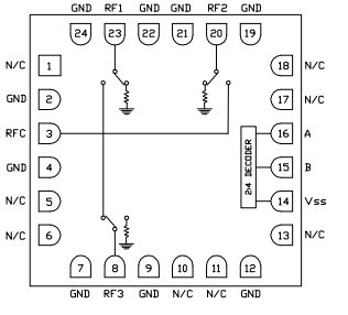
Переключатель CMD234C4 типа SP3T обладает изоляцией 40 дБ на частоте 10 ГГц при вносимых потерях на уровне 2 дБ. Компонент включает встроенный двоичный декодер, требующий лишь две логические линии управляющего напряжения 0/-5 В.
Переключатель CMD235C4 типа SP5T включает TTL-декодер (3:8) для расширенного цифрового управления. Уровень вносимых потерь составляет 2,5 дБ при изоляции 40 дБ (10 ГГц). Оба компонента (CMD234C4 и CMD235C4) выпускаются в RoHS-совместимых корпусах QFN (4 х 4 мм), обеспечивая временем переключения лишь 66 нс.

Чип монолитного СВЧ усилителя CMD240 на основе арсенида галлия с рабочей частотой до 22 ГГц обладает коэффициентом шума 2,2 дБ и усилением 15 дБ. Компонент имеет точку сжатия 1 дБ на уровне 19 дБм (10 ГГц) и точку пересечения IP3 на уровне 28 дБм при токе питания лишь 80 мА.
Имеющий более низкий ток потребления при усилении 13, 5 дБ (2..22 ГГц) усилитель CMD241 демонстрирует коэффициент шума 2,3 дБ. Чип обладает большей выходной мощностью, составляющей 21 дБм (P1dB). Оба усилителя согласованы на 50 Ом, а чип CMD241 включает встроенные блокирующие постоянный ток конденсаторы.
Для сверхкомпактных схем с высокой линейностью предусмотрен широкополосный усилитель со сбалансированным драйвером CMD243. Усиление компонента составляет 15,5 дБ при частотном диапазоне 26..35 ГГц. Выходная мощность усилителя – 21 дБм при низком шуме 4,4 дБ и согласованности 50 Ом.
Подписаться на почтовую рассылку / Авторам сотрудничество






