3-амперный микромодуль понижающего стабилизатора с компактными размерами

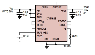
Корпорация Linear Technology представила микромодуль понижающего стабилизатора LTM4623 с рабочим током до 3 А, выполненный в компактном корпусе. Компонент может монтироваться на обратной стороне печатной платы, что экономит место для таких компонентов как память и ПЛИС. Микромодуль работает с напряжением в диапазоне 4 – 20 В, стабилизируя выходное напряжение в диапазоне 0,6 – 5, 5 В с максимальной погрешностью 1,5 %.

Модуль LTM4623 выпускается в сверхтонком корпусе LGA (высота 1,8 мм) с монтажными габаритами 6,25 х 6,25 мм. С учётом припоя высота корпуса составляет менее 2 мм, что соответствует ограничениям ко многим схемам с интерфейсом PCIe, мезонинным картам AdvancedTCA. Микромодуль найдёт применение в высокоплотных системах хранения данных, контроллерах шлюзов и сетевом оборудовании с пропускной способностью 40 - 100 Гбит/с.

Микромодуль занимает монтажную площадь 0,5 кв. см на двухсторонней печатной плате, либо менее 1 кв. см – на односторонней. Для работы микросхемы требуется один конденсатор на входе, один – на выходе, резистор для установки Vout, и небольшой конденсатор для сопряжения и мягкого старта. Компонент LTM4623 работает при входном питании лишь 2,375 В (при внешнем токе смещения напряжением 5 В). КПД схемы при преобразовании напряжения 12 В в выходные 1,5 В и 3,3 В (ток 3 А) составляет, соответственно 80 и 88 %. Потеря мощности – 1,1 Вт, что в результате ведет к росту температуры перехода на 24 °C.
Рабочий температурный диапазон: -40 – 125 °C. Стоимость микромодуля – $6,05 (от 1 тыс. шт.).
Подписаться на почтовую рассылку / Авторам сотрудничество






