Чип драйвера затвора управляет работой MOSFET- и IGBT-транзисторов при напряжении до 600 В

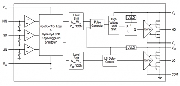
Подразделение интегральных схем компании IXYS недавно выпустило чип драйвера затвора нижнего и верхнего уровней – IX2113. Новое решение представляет собой высоковольтную интегральную схему, способную управлять MOSFET- и IGBT-транзисторами при напряжении до 600 В. Выходы верхнего и нижнего уровней (плеч) оснащены встроенными силовыми DMOS-транзисторами, каждый из которых способен проводить до 2 А тока управления затвором в прямом и обратном направлении.

Высоковольтная цепь смещения уровня позволяет низковольтным логическим сигналам управлять n-канальными силовыми MOSFET- и IGBT-транзисторами в схеме верхнего уровня при напряжении до 600 В. Максимальное допустимое напряжение 700 В обеспечивает дополнительным запасом при использовании в высоковольтных схемах.

Входы компонента 3.3 и 5 В совместимы с логическими уровнями. Встроенная цепь блокировки при недостатке напряжения для выходов верхнего и нижнего уровней не позволит чипу включить дискретные силовые транзисторы до появления достаточного уровня напряжения затворов. Работа логической цепи требует менее 1 мкА.
Чип IX2113 выполнен по передовому техпроцессу «кремний-на-изоляторе» (HVIC SOI), что делает компонент очень надёжным в условиях негативных бросков тока, высокой температуры и помех.
Свежее решение IXYS может управлять MOSFET- и IGBT-транзисторами в полумостовых, мостовых и 3-фазных схемах. Типичное применение: приводы двигателей, высоковольтные инверторы, бесперебойные источники питания, DC/DC-преобразователи. Чип IX2113 дополняет портфолио оптически изолированных драйверов затвора, драйверов затвора нижнего уровня (плеча), а также весь ряд полупроводниковых силовых компонентов ISYX.
Подписаться на почтовую рассылку / Авторам сотрудничество




