Linear Technology анонсировала компонент LTC5549 – смеситель с двойной балансировкой и широким рабочим РЧ диапазоном (2 – 14 ГГц), способный работать в качестве повышающего, так и понижающего преобразователя. Линейность по IIP3 составляет 24,4 дБм на частоте 9 ГГц.

Новый компонент предназначен для схем микроволновых передатчиков и приёмников. Встроенному буферу-гетеродину требуется 0 дБм задающего уровня, что позволяет исключить применение внешней мощной цепи усиления. В компонент также интегрирован удвоитель частоты сигнала гетеродина, благодаря чему могут использоваться более дешёвые и широко распространённые синтезаторы НЧ.
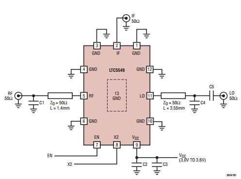
Чип LTC5549 включает широкополосный согласующий трансформатор, оптимизированный для расширения РЧ диапазона от 2 до 14 ГГц при использовании только одного входа. Вход ПЧ у трансформатора имеет также широкий диапазон – до 6 ГГц. Все три входа согласованы с импедансом 50-Ом. Смеситель обеспечивает высоким уровнем изоляции между входами, способствует минимизации нежелательных утечек и позволяет упростить требования к внешним фильтрующим цепям.

Характеристики работы смесителя LTC5549 улучшат параметры широкого диапазона систем, включая оборудование микроволновых транспортных сетей, базовых станций LTE-A, широкополосных спутниковых радиомодулей, систем радаров, трансиверов X- и Ku-диапазона, испытательных систем и спутниковых модемов.
Новый чип обладает улучшенной защитой от электростатических разрядов (до 2000 В по модели HBM для всех выводов). Компонент выпускается в компактном 12-выводном пластиковом корпусе QFN с размерами 3 х 2 мм. Смеситель работает в расширенном диапазоне температур корпуса от -40 до 105 °C. Напряжение питания – 3,3 В, номинальный ток потребления – 115 мА.

Дополнительно, LTC5549 оборудован управляющим входом вкл/выкл. В режиме выкл. устройство потребляет лишь 100 мкА максимального тока. При помощи этого вывода можно непосредственно управлять процессами включения и выключения чипа, которые занимают лишь 0,2 мкс, следовательно, возможна реализация импульсной и дуплексной работы с разделением по времени (TDD).
Стоимость компонента LTC5549 стартует с $10,07 при заказе от 1 тыс. шт. Возможен заказ образцов и серийных партий.
Microsemi представила компактный имплантируемый радиомодуль
Murata выпустила МЭМС-датчик ускорения
Четырёхъядерная обработка от Intel задействована для работы с большими данными
Оптический импульсный датчик, выдающий до 5000 отсчётов за 1 оборот