Питающие чипы с интерфейсом PMBus и рабочим током до 30 А

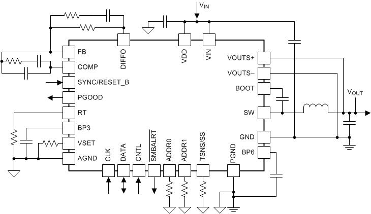
Texas Instruments представила синхронные DC/DC-преобразователи с интерфейсом PMBus и номинальным током 20/30 А. Чипы TPS544B25/C25 позволяют точно настраивать напряжение на питающих шинах, используемых для работы процессоров.

Преобразователи оборудованы источником опорного напряжения с точностью 0,5 %. В компонентах предусмотрена возможность полного внешнего дифференциального считывания напряжения. Функция синхронизации частоты с внешним источником позволяет сократить уровень помех и влияния электромагнитного излучения.

Дополнительно, новые компоненты поддерживают возможность коммутации выводов, что позволяет запускать преобразователи без управляющих команд по интерфейсу PMBus. Выходное напряжение задаётся при помощи единственного резистора.
Интерфейс PMBus используется для программирования, мониторинга таких параметров как выходное напряжение, ток, температура. Кроме того, через него передаётся информация о сбоях. Режим управления напряжением с упреждением повышает устойчивость цепи к помехам и входным перепадам напряжения. К прочим возможностям относится функция мягкого старта, защита от недостатка напряжения и температурного перегрева, функция сброса.
Подписаться на почтовую рассылку / Авторам сотрудничество






