3-канальный PMIC-чип сокращает энергопотребление и улучшает рабочие характеристики

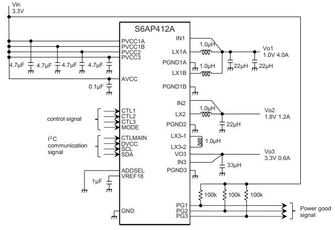
Spansion начала отгрузки образцов серии S6AP412A, представляющей многоканальные чипы управления питанием (PMIC) с понижающим преобразованием постоянного тока. Новая серия – это расширение семейства понижающих преобразователей MB39C031. Программируемые чипы имеют 3 канала питания для работы с СнК, памятью и периферией – элементами, составляющими ядро оборудования офисной техники и сетевых устройств.

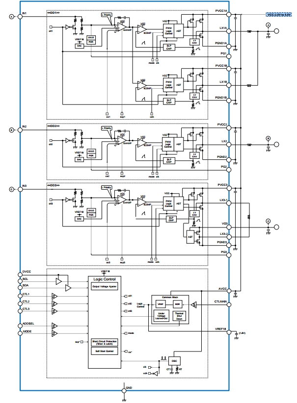
Современные системы оборудованы СнК, для которых требуется управление 3-мя каналами питания при запусках либо во время отключения питающего источника. В чипах S6AP412A используются программные средства для точного и гибкого управления питанием. Так как чип для управления 3-мя каналами питания выполнен на одном кристалле, то это способствует сокращению спецификаций блоков питания, уменьшению монтажной площади в пределах 30% по сравнению с традиционными решениями.
В новых решениях также применяется коммуникационный интерфейс I2C, используемый для переключения на оптимальное напряжение в зависимости от режима работы СнК и условий обработки. Благодаря этому поддерживаются технологии динамического масштабирования напряжения (DVS) и улучшенного питания (ASV). Серия S6AP412A поддерживает пониженное энергопотребление системами за счёт прецизионного управления напряжением.

«Новые чипы управления питанием расширяют наш ассортимент, предоставляя высокое качество работы и низкое энергопотребление, необходимые для поддержки высокопроизводительных офисных систем с графическими и голосовыми функциями, – отмечает Том Спаркман, вице-президент и управляющий в Spansion. – Многоканальные чипы питания исключают необходимость применения выделенных питающих шин к каждому компоненту, соответствуя тренду миниатюризации в системном проектировании».
На сегодняшний день идёт отгрузка образцов чипов серии S6AP412A. Серийные партии станут доступными в сентябре. Стоимость составит $3.60 за чип при заказе от 1500 шт.
Подписаться на почтовую рассылку / Авторам сотрудничество






