Источник временных интервалов с поддержкой стандарта Synchronous Ethernet и джиттером менее 300 фс

Компания Integrated Device Technology недавно показала совместимые со спецификацией ITU-T G.8262 решения источников временных интервалов синхронной аппаратуры (SETS). Новый компонент 82V3910 является устройством ФАПЧ операторского класса с поддержкой стандарта Synchronous Ethernet (SyncE). Решение соответствует требованиям к джиттеру систем физического уровня 10G и 40G Ethernet. При уровне джиттера менее 300 фс в интеграционном диапазоне от 10 кГц до 20 МГц (при всех активных каналах), устройство по данному показателю на 50% лучше конкурирующих решений. Компонент заменяет многочиповые альтернативы и способствует упрощению и удешевлению схем.

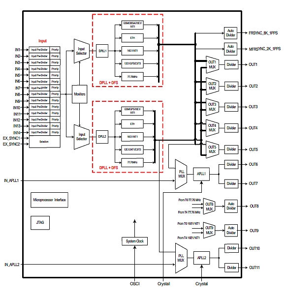
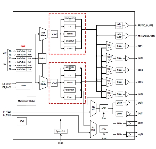
Новые компоненты IDT 82V3910 и 82V3911 оптимизированы для использования в системах 10GBASE-R/10GBASE-W и 40GBASE-R, включая коммутаторы, маршрутизаторы, мультисервисные коммутационные платформы, беспроводное транзитное оборудование и прочие элементы инфраструктуры связи. Инновационная архитектура с высокой интеграцией включает 2 независимых цифровых цепи ФАПЧ для возможности двусторонней синхронизации, что способствует максимальному удобству и упрощает внедрение. Данные цепи синхронизируются с широким диапазоном телекоммуникационных и сетевых опорных частот при возможности подавления временных сбоев для генерирования надёжных выходных тактовых сигналов, используемых для оптимальной работы сети.
Чип IDT 82V3910 упрощает цепи синхронизации, сокращая ведомость материалов. Устройство позволяет управлять всеми необходимыми сигналами синхронизации. Поколение решений со сверхнизким джиттером позволяет использовать их в системах на базе 1 платы, в которых источник временных интервалов напрямую тактирует сетевые модули 10G либо 40G. Чип 82V3910 соответствует стандарту ITU-T G.8262 (EEC-опции 1 и 2) и G.813 (SEC-опции 1 и 2). Решение подходит для использования в оборудовании SyncE, SONET и SDH. Чип 82V3910 может напрямую синхронизироваться с опорным источником (1 импульс/сек.), что позволяет, например, основной системе использовать недорогой GPS-приёмник.

Одночиповый компонент 82V3911 (SyncE ФАПЧ) предварительно разрабатывался для выбора опорных источников из ряда SETS-модулей либо сетевых устройств, для преобразования тактовых частот, смягчения джиттера – при сохранении совместимости выбранных источников со стандартом G.8262. Более того, чип 82V3911 сокращает цепь синхронизации и её стоимость, а также уменьшает размер на печатной плате за счёт предоставления 2 каналов ФАПЧ в одном чипе.
Компоненты IDT 82V3910 и 82V3911 доступны для заказа. Выпуск производится в 196-контактных (шариковые контакты) корпусах CABGA с размерами 15 х 15 мм.
Подписаться на почтовую рассылку / Авторам сотрудничество






